產品名稱
FESTO 費斯托單向節流閥VFOF-LE-BAH-G14-Q8
型號: VFOF-LE-BAH-G14-Q8 訂貨號:1927030
產品產地: 匈牙利
特色:
? 最小高度 ,通過調整殼體位置可以改變驅 動方向1 ? 大流量 ,功能可組合,因此功能性更強 產品概覽 功能? 安裝完成后,允許水平方向旋 轉360°
產品簡介
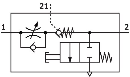
創新解決方案氣控單向節流閥,具有停止功能和手動排氣功能,可直接安裝在氣缸上結構緊湊且美觀由于功能集成,單個零件減少
鏈接
沒有關聯




技術參數
閥功能
兩位五通雙電控
驅動方式
電控
寬度
42 mm
標準額定流量
1200 l/min
工作氣口
底座規格 1, 符合 ISO 5599-1 標準 G1/4
工作電壓
通過電磁線圈, 須另外訂購
工作壓力
0.2 Mpa ... 1 Mpa
工作壓力
2 bar ... 10 bar
結構特點
活塞閘閥
認證
c UL us 認證 (OL)
防護等級
IP65
公稱通徑
8 mm
排氣功能
帶節流選項
密封原理
軟密封
安裝位置
可選
符合標準
ISO 5599-1
手控裝置
通過用件鎖定 按鈕式
密封件材料
HVBR NBR
外殼材料
壓鑄鋁
介質溫度
-10 °C ... 60 °C
環境溫度
-5 °C ... 40 °C
產品重量
190 g
產品中心 - 其他產品
FESTO 費斯托單向節流閥VFOF-LE-BAH-G14-Q8
進入詳情
FESTO 費斯托 電磁閥 JMFH-5/2-D-1-C 150980
進入詳情
FESTO 費斯托 電磁閥 MFH-5/2-D-1-C 150981
進入詳情
FESTO 費斯托 氣控閥 J-5/2-D-3-C 151865
進入詳情
